韦德官方网
电梯配件制造专家
韦德(中国)
韦德(中国)
关于我们
关于我们
公司概况
成长历程
企业文化
企业荣誉
新闻中心
新闻中心
公司动态
行业动态
产品展示
产品展示
轿厢系统
重量平衡系统
导向系统
曳引系统
安全保护系统
门系统
维保配件
工程机械
生产服务
生产服务
生产中心
研发中心
软件应用
营销服务
营销服务
合作伙伴
客户服务
联系我们
联系我们
联系我们
电子地图
您的位置:
韦德(中国)
>
产品展示
>
门机系统
查看分类
门机系统
门机系统
轿厢系统
安全保护系统
导向系统
重量平衡系统
曳引系统
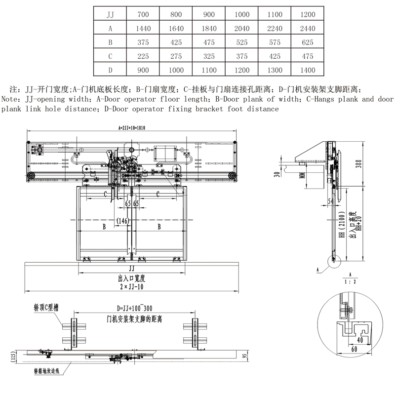
TYVS-II-02 中分同步门机
上一条:
TYVS-II-01 中分异步门机(带轿门锁紧装置)
下一条:
TYVS-II-01 中分异步门机
韦德(中国)
电话咨询
QQ客服
在线地图
电话:0513-69889623
邮编:226600 E-mail:domestic_sales@nttongyang.com
版权所有:韦德官方网 地址:江苏省海安市高新区镇南路555号
华亿平台
|
风云体育官网首页入口
|
betway官方网站
|
星空xk官方入口(官方)网站
|
米兰官方网站
|
华体会平台
|
必威官网登录
|
必赢登入
|
星空官方网页版
|